|
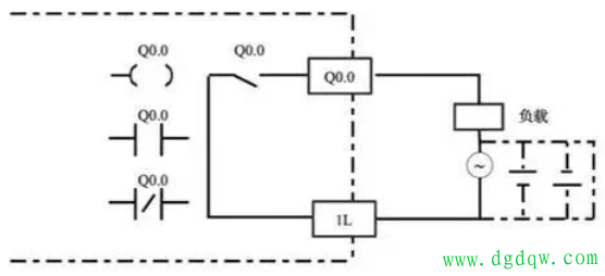
一、输入继电器I 在PLC的世界里,某些元件虽沿用了“继电器”这一熟悉的名字,可它们绝非我们印象中那种实实在在的物理继电器啊!我们所谈及的输入常开触点,实则是输入继电器的常开触点。但这些所谓的“继电器”,不过是存在于数字世界中的软继电器罢了,每一个都精准对应着映像寄存器中的一个存储单元。 那么,输入过程映像寄存器究竟是如何工作的呢?当按下按钮的瞬间,信号传入输入继电器,进而使映像寄存器(比如I0.0对应的地址位)存储数值变为1,此时就如同继电器线圈得电一般,其常开触点随之闭合,常闭触点则自然断开。值得注意的是,输入继电器I的线圈完全受外部按钮等硬件的支配,在PLC程序中,我们只能看到它的触点身影,却寻不见线圈的踪迹。也就是说,输入继电器I只能乖乖地由外部输入信号来驱动,难道它能违背这一规则,被PLC内部指令随意操控吗?显然不能!关于输入映像寄存器的等效电路以及输入继电器的常开、常闭触点的图形符号,可参考图1所示。 二、输出继电器Q 梯形图中的输出继电器同样令人好奇,它真的像看起来那样简单吗?其实,它本质上是数据存储区里的输出过程映像寄存器。当程序扫描周期即将结束时,运算结果会被送往输出锁存器,从而驱动外部负载开始工作。这其中的原理究竟是怎样的呢? PLC的CPU如同一位智慧指挥官,一旦启动程序运行,便会通过数据总线将执行后的运算结果传递至输出过程映像寄存器Q0.0。倘若该寄存器的状态为“1”,这难道不就像给输出继电器Q0.0(对于继电器输出型的PLC而言,这里确实存在真实的物理继电器)的线圈接通了电源吗?于是,它的常开触点闭合,负载得以通电运行;反之,若状态为“0”,则相当于切断了线圈的电流,常开触点断开,负载停止工作。当PLC的CPU持续运行程序,使得映像寄存器Q0.0的状态变为1时,输出继电器Q0.0的线圈通电,其Q0.0常开触点随即闭合。特别要强调的是,对于继电器输出型的PLC来说,这里的继电器可是实实在在存在的物理实体哦!有关输出映像寄存器的等效电路以及输出继电器的线圈、常开触点和常闭触点的图形符号,详见图2展示。
|

电工电气学习网 ( )
GMT+8, 2025-12-12 19:58
Powered by © 2011-2025 www.dgdqw.com 版权所有 免责声明