|
如果你希望学习看懂电能质量电气图,却苦于找不到一个简短而全面的教程。那么本教程将花费十分钟的时间带你走入电能质量的大门。从此看电气图不求人! 如何看懂系统图中的电能质量电气图 1详看图纸说明 拿到图纸后,首先要仔细阅读图纸的主标题栏和有关说明,结合已有的电气知识,对该电气图的类型、性质、作用有一个明确的认识,从整体上理解图纸的概况所要表述的重点。
2了解掌握基本的电气知识 看懂图纸的前提是要掌握基本的电气知识,掌握各种电气符号、图示所表达的含义。例如主开关(常规应用主要分为熔断器组、塑壳断路器)、熔断器、接触器、晶闸管、电容器、电抗器、APF、SVG等元器件的符号及图示。只有了解了基本的电气符号,才能读懂图纸中所表达的重点。我们可以由以下图中了解器件含义。
 有源滤波器APF或SVG和无源补偿SVC组合 3各元器件的功能及作用说明 (1)主开关为塑壳断路器(有的图纸中标注为刀熔开关),主要用于柜内补偿装置的过载、短路保护等功能。 (2)电流互感器:采集目标对象的电流供给柜门仪表或者其他设备,用于电流的显示或者计算。 (3)避雷器:使雷电流流入大地,避免形成过电压以保护电气设备。 (4)熔断器:熔断器主要作为补偿支路过载和短路的保护器件,当补偿支路过载或者短路时,熔断器断开,使故障回路退出运行。 (5)晶闸管和接触器为投切元件。晶闸管投切无涌流,全响应时间20ms以内,适合变化较快的负载。接触器相对速度较慢,适合运行比较平稳的负荷。 (6)电抗器:依靠线圈的感抗阻碍电流变化的元件,主要用于需要限流或者补偿的地方。对于串联于补偿柜中的电抗器,其作用主要为保护电容器,防止谐波进入补偿柜损坏电容器。如果系统中存在5次谐波,电抗率设计为7%比较合适。假如系统中存在较多的3次谐波,电抗率通常设计为14%。 (7)电容器:利用电容器端电压滞后电流90度的特性,对负载系统进行无功补偿。 (8)有源滤波器:通过采集系统中的谐波含量,经过计算发出指令,滤除系统中相对应的谐波。 (9)SVG:通过电流互感器实时检测系统或负载电流,快速计算出待补偿的无功电流,通过控制算法生成 IGBT 的 PWM 控信号,使装置发出大小相等、方向相反的无功电流,实现动态无功补偿的目的。 4掌握器件的基本原理及作用 了解无功功率定义和作用 无功功率是由储能器件(电感或电容)在交流电路中,由于其两端的电压与流过的电流有90度角的相位差,所以不能做功,也不消耗有功功率,但它参与了与电源的能量交换,这就产生了无功功率,降低了发电机和电网的供电效率。 为建立交变磁场和感应磁通而需要的电功率称为无功功率,因此,所谓的“无功”并不是“无用”的电功率,只不过它的功率并不转化为机械能、热能而已;因此在供用电系统中除了需要有功电源外,还需要无功电源,两者缺一不可。无功功率和功率因数是直接有关联的。 功率因数含义 功率因数是反映电力用户用电设备合理使用状况、电能利用程度及用电管理水平的一个重要技术指标,功率因数的高低取决于负荷性质。 三相功率因数的计算公式为:
 式中,P为有功功率,kW;Q为无功功率,kvar;S为视在功率,kVA。 功率因数通常分为自然功率因数、瞬时功率因数和加权平均功率因数三种类型。
 SVG三种运行模式 SVG的基本原理是:将电压源型逆变器(电压源型逆变器包含直流电容和逆变桥两个部分,其中逆变桥由可关断的半导体器件IGBT组成),经过电抗器并联在电网上,通过调节逆变桥中的IGBT器件的开关,可以控制直流逆变到交流的电压的幅值和相位,因此,整个装置相当于一个调相电源。通过检测系统中所需的无功,可以快速发出大小相等、相位相反的无功,实现无功的就地平衡,保持系统高效率运行。
 上图为SVG原理图,将系统看作一个电压源,SVG可以看作一个可控电压源,连接电抗器可以等效成一个线形阻抗元件。
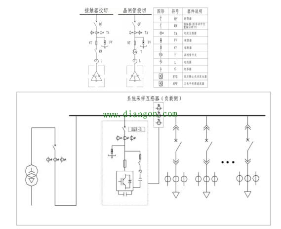
 a:柜内主开关,我们可以依据具体的额定电流及适合的分断能力来进行判断5.透过系统图中的标注,审核确定系统图中的方案是否合适。 对于系统图中的标示,涉及到的补偿柜以及有源滤波柜等内容,我们可以“自上而下”一一确认。 b:避雷器、互感器、仪表等可以根据具体要求来选择。 c:补偿元件和滤波元器件的选用:补偿元件的选择,主要涉及补偿类型(有源补偿例如SVG、APF,无源补偿例如电容、电抗)、投切方式的选择(晶闸管投切、接触器投切)、共补或者是分补的选择。 d:需要考虑设备在负载系统中的位置:对于有源滤波器,由于其运算方式需要计算出负载电流的电能质量,所以对于滤波设备及采样互感器的位置需进行考虑,以确保滤波的准确性。下面以具体图例作出说明。
 说明:该图中有源滤波柜在电容补偿柜和负载柜中间,电流采样互感器放在了负载侧,这样APF设备就可以直接采集到负载的谐波电流,图中电流互感器的标注位置是正确的。

说明:该图中有源滤波柜放在了系统的最末端,APF柜体前端安装3只电流采样互感器,目的是用进线柜中电流减掉APF设备的电流,这样就得出了负载电流,所以图中电流互感器的位置是合适的。 e:补偿方式、投切方式以及容量确定好之后,要看系统图中对于设备的壳体尺寸是否有具体的要求,需要核实在满足需求容量、排风散热没有问题的情况下考虑是否满足壳体的尺寸以及柜型要求。 电能质量电气图看图方法要点 (1)掌握无功补偿柜和滤波柜中基本元件的电气知识:从电气符号入手,可以理解图中表达的意图。比如补偿容量、补偿方式等等。 (2)详看图纸说明:通过图纸说明可以对补偿柜和滤波柜有一个整体的掌握。 (3)掌握了解补偿柜和滤波柜中各种元器件的基本功能和作用:只有掌握了各种必需元件的功能和作用,对于系统图中的标注示意图才能作出更准确的判断。 (4)针对滤波柜在系统中不同的位置需要考虑电流采样互感器的位置:有源滤波柜通过电流采样互感器采集负载信号,得出负载中所存在的谐波,发出指令滤除谐波。 (5)总体检查:通过图中表达的意图,结合自身掌握的补偿以及滤波知识,核实方案的准确性及可行性。
|