|
许多品牌的变频器产品,其开关电源电路均采用将开关管、开关变压器及二次侧整流电路以外的振荡与稳压电路,集中于一个振荡小板上的方法,以达到精简电路,缩小电路板体积的目的。这样的振荡小板,如图1所示,其上集成以了以284X振荡芯片、光耦合器及电压基准源电路为核心器件的振荡与稳压电路,若以光耦合器的输入侧、输出侧电路来划分,则可分为输出电压采样信号处理电路和振荡电路两个部分。
 图1 开关电源电路中的振荡小板 在故障检修中,如果先行确定了振荡小板外围(器件数量少,电路简单)电路元件,如开关管、开关变压器、二次测整流电路都无问题,故障检修的重点便转移至对振荡小板的检修上来。而此振荡小板往往作为一个独立部件,垂直安装于电源/驱动板上,与周围开关变压器、开关管等元件相交错,不易搭上表笔,检修起来相对困难。想彻底对振荡小板进行检修,一般需费劲从电源/驱动板上焊下进行检测,而脱机后如何上电验证振荡小板是否工作正常,也成为一个棘手的问题。 因而,如何采用相关措施对振荡小板进行脱机检测,或者进一步,如何对在线状态,对振荡小板有无故障进行快速和较为准确的判断,在故障检修中,就显得非常有意义了。
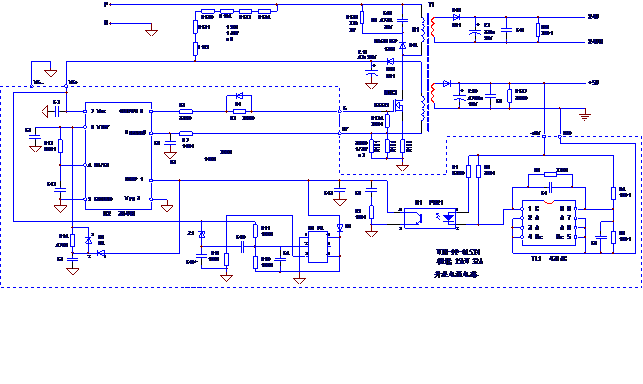
 图2 WIN-9P型15kW变频器开关电源 图2电路为本人在近期故障检修中,据实物测绘出的WIN-9P型15kW变频器开关电源电路,虚线框内为振荡小板内部电路,从图2中可以明显看到,振荡小板作为一个独立部件,为6线端元件,其中VG+、VG-为振荡芯片3844B的供电电源引入端;+5V、GND为输出电压采样信号引入端;G和IF则为脉冲信号输出端和电流反馈信号引入端。 可以以光耦合器U1为分界线,分为输入侧和输出侧两部分电路,在线或脱机状态下,分别提供U1输入侧电路和输出侧电路的供电电源,完成单独对振荡小板进行检修和故障确认。 从VG+、VG-端接入16~24V以内的直流电源,以满足振荡芯片的起振工作条件。注意,若在脱机状态,必须将3844B的3脚暂时与5脚短接,以防因3脚悬空形成静态高电平,导致内部电流保护电路动作而禁止6脚脉冲信号的输出!此时若振荡芯片U2及外围电路元件是好的,则采用直流电压挡,能测到以下工作电压: 1、首先能在U2的8脚检测到稳定的5V电压; 2、继之在U2的4脚检测到2~4V以内的振荡(稳定)电压输出; 3、随后在U2的6脚检测到6V以上的脉冲信号电压输出。 以上检测,若1、2步骤检测都异常,先换掉U2再试。若1、2步骤检测正常,在6脚无法测到脉冲电压的输出,首先确定3脚是接为0V低电平(不为低电平时暂时短接3、5脚使之为低电平),继之检测1脚是否远高于1V,若1脚电压偏低,检查1脚外围电路,有无漏电或短路元件,排除后,使1脚电压上升为3~8V以内,随之将会在6脚测到正常的脉冲信号输出。 一般经过1、2、3步骤,便可以找到故障原因或确定振荡电路的好坏了。 光耦合器U1的输入侧电路,如图3所示。这是一个输出电压采样与处理电路,从整个电压反馈处理电路来看,U1输入侧与输出侧(即振荡芯片U2的1、2脚内、外部电路)构成了一个电压反馈放大器电路。若以线性稳压的眼光来看,输出+5V高低的变化,导致了U1输入侧光电流的变化,引起输出侧3、4脚导通电阻的变化。但这种看法是错误的,若分析电压基准源431内部电路(见图4),U1的输入侧电路只能工作开关模式,而无法进入线性区域。
 图3 开关电源的输出电压采样电路(稳压回路之一) 在+5V、GND端送入0~6V的可调直流电压信号,以满足图3电路的电压采样条件,观察U1输出侧电阻或电压的变化,可大致判断图3电路是否处于正常状态。
 图4 电压基准源TL431封装形式及内部原理框图 TL431内部电路原理如上图所示,内含一个2.5V基准电压源、电压比较器及并联分流管VT。TL431为三线端元件,其中VREF为外部基准电压端,输入信号与内部Vref相比较,在VREF端输入电压信号高于2.5V时,内部VT导通,否则VT处于截止状态。配合外部电路分析,TL1和U1仅对采样电压的一个点——5V作出反应,采样电压低于5V时,TL1内部VT处于截止状态,光耦合器U1也无输入电流产生;采样电压高于5V时,TL1内部VT导通,提供U1输入电流的通路。整个图3电路,其实是工作开关状态的。 1、停掉VG+、VG-端接供电的情况下,可以检测U1输出侧3、4脚之间的电阻值 在+5V、GND端送入0~6V的可调直流电压信号,当输入信号电压低于5V以下时,测U1的3、4脚之间的电阻值,指针表黑笔接4脚,应大于10kΩ,数字表显示值更大些。U1输出侧内部三极管明显处于截止状态;当输入信号电压大于5V时,U1的3、4脚之间的电阻值,指针表测量值小于1kΩ。数字表测量值为几十欧姆。U1输出侧内部三极管明显处于导通状态。 2、在VG+、VG-端引入供电的情况下,可以检测U1输出侧3、4脚之间的压值 在+5V、GND端送入0~6V的可调直流电压信号,当输入信号电压低于5V以下时,测U1的3、4脚之间的电压值,应在3~8V之间。同时,检测振荡芯片6脚的脉冲信号,在正常输出状态。若测量电压偏低,更换U1后再试。更换U1后仍低,检查U1的4脚外接元件有无损坏;当输入信号电压大于5V时,测量U1的3、4脚之间的电压值,应低于1V,说明U1输出侧内部三极管处于良好导通状态,此时检测3844B的6脚输出脉冲信号电压为0,说明稳压控制是生效的。图3电路是好的。 采用1或2步骤检测,都能确定图3电路的好坏。 确定了振荡小板是好的,检测小板外围电路,重点是3844B的7脚启动和供电支路,就省事多了。
|