|
例题1:求图(a)所示网络的戴维南等效电路
解:对于图(a)所示电路,我们可采用叠加原理来求其开路电压Uo 将图(a)电路化为无源二端网络后如图(b)所示,求其等效内阻
故图(a)中a,b端的戴维南等效电路如图(c)所示. 例题2:在图(a)电路中欲使I=0,则
解:对于图(a),欲使I=0,则必须使得 现利用戴维南定理求解此题。移去a,b支路后如图(a)所示,有
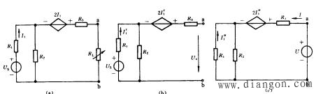
求的 此题中不需求出戴维南等效电路的内阻 例题3: 图中所示电路中RL变,试问当RL为何值时他吸收的功率最大?此最大功率等于多少?已知
解 : 先将Rl所在支路移去,如图(b)所示,求其戴维南等效电路。 在图(b)中, 故 为了求a,b间的等效电阻 在图(c)中, 故 求得戴维南等效模型后,RL消耗的功率为
最大功率发生在
即当
|

电工电气学习网 ( )
GMT+8, 2026-2-12 23:57
Powered by © 2011-2025 www.dgdqw.com 版权所有 免责声明