|
74LS138是一种集成的3-8线译码器芯片。它的逻辑电路如图1所示。
从图1可以看出,74LS138电路除了双点画线框内的译码电路外,还包含了由GS门组成的控制电路部分。 74LS138有3个附加的控制端S0、S1、和S2。当S0=1、 表1 74LS138译码器的逻辑功能表
从表1可以看出,输入变量的每一组状态对应着一个输出端的低电平0信号,因此当输出端输出低电平0时,认为该端有信号输出,称为输出端为低电平有效,相应地输出变量的字母上面画一短线。只有当S0=1、
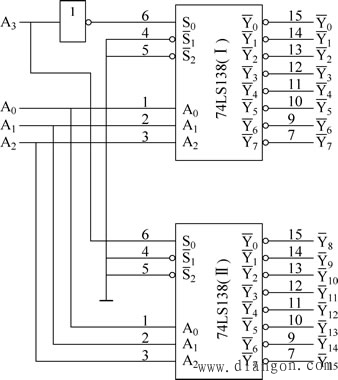
例1:试用两片74LS138组成4-16线译码器,将输入的4位二进制代码A3A2A1A0译成16个独立的低电平信号 解:由图2可知,一片74LS138芯片只有3个代码输入端A2、A1、A0,想要对4位代码进行译码,必须用控制端来补充作为第4个代码输入端A3。 由74LS138的逻辑功能表1可知,控制端S0=1、
当然,连线的方式不止这一种,请读者自行分析。 由表1可知,当S0=1、
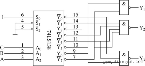
利用附加的门电路将这些最小项适当地组合起来,可以产生任何形式的三变量组合逻辑函数。 同理,由于n位二进制译码器的输出给出了n个变量的全部最小项,因此用n变量的二进制译码器可以获得任意形式的输入变量不大于n的组合逻辑函数。 例2:试用3-8线译码器74LS138和门电路实现下列组合逻辑函数。
首先将给定的组合逻辑函数式化成最小项之和的形式,即
由图1和式(1)可知,只要令74LS138的输入A2=A,A1=B,A0=C,则它的输出 所以将式(2)化成最小项非的形式,即
上式表明,只要在74LS138的输出端附加3个与非门就可以得到所要求的逻辑函数。电路的解法如图图4所示。
| ||||||||||||||||||||||||||||||||||||||||||||||||||||||||||||||||||||||||||||||||||||||||||||||||||||||||||||||||||||||||||||||||||||||||||||||||||||||||||||||||||||||||||

电工电气学习网 ( )
GMT+8, 2026-2-13 00:24
Powered by © 2011-2025 www.dgdqw.com 版权所有 免责声明