|
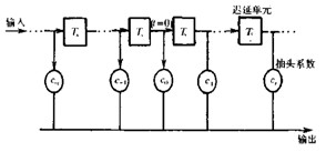
在基带传输中,除噪声外,码间干扰是影响传输质量的主要因素。通过精心设计的发送滤波器和接收滤波器就可以达到消除码间干扰的目的。但实际通信时,总的传输特性将会偏离理想特性,这样就会产生码间干扰。要想克服这些偏离就需要采用均衡的手段。 均衡器又分为频域均衡器和时域均衡器两种。频域均衡的基本思想是利用幅度均衡器和相位均衡器来补偿传输系统的幅频特性和相频特性的不理想,以达到所要求的理想形成波形,从而消除码间干扰。因此它的出发点是保持形成波形的不失真。时域均衡的基本思想是建立在消除取样点的码间干扰的基础上,并不要求传输波形的所有细节都与奈氏准则所要求的理想波形一致。因此它们利用接收波形本身来进行补偿,消除抽样点的码间干扰,提高判决的可靠性。所以时域均衡是对信号在时域上进行处理,比频域均衡更为直观。 理论和实践都表明,在数字基带系统的接收滤波器和抽样判决器之间或在数字调制系统的解调器和抽样判决器之间插入一个均衡器,可以消除或减小通信系统参数变化引起的码间干扰。 一、时域均衡的基本原理 时域均衡器主要是由横向滤波器构成,它是由无限多的横向排列的迟延单元 |
![]() |
| 图1 横向滤波器 |
| 不难看出,横向滤波器的特性将取决于各抽头系数 理论上,无限长的横向滤波器可以完全消除抽样时刻上的码间干扰,但实际中是不可实现的。因为,不仅均衡器的长度受限制,并且系数 设一个具有 |
![]() |
| 图2 有限长横向滤波器及其输入输出波形 |
| 单位冲激响应为 |
| 又设它的输入为 |
| 在抽样时刻 |
| 或者简写为 |
| 也就是说,均衡器在第k个抽样时刻得到的样值 |
| 将 |
| 令n等于 |
![]() |
| 写成矩阵形式,有 |
![]() |
| 解 举例说明: 例1设计一个三抽头迫零均衡器的抽头增益加权系数,输入波形 解: |
![]() |
| 解得 |
![]() |
| 再用求得的 |
| 可见,它能保证在 二、时域均衡器的结构 横向滤波器的特性完全取决于各抽头系数,而抽头系数的确定则依据均衡效果的评价标准。均衡效果通常用最小峰值畸变准则和最小均方误差畸变准则来衡量,根据这两种准则构成的均衡器分别为预置式自动均衡器和自适应均衡器。 1.预置式自动均衡器 预置式自动均衡器采用最小峰值畸变准则。若时域均衡器的输入信号为 |
![]() |
| 理论分析表明:当均衡器输入峰值畸变 图3为预置式自动均衡器的原理方框图。在系统的发送端,每隔一段时间向发送滤波器输入一个单脉冲波形。当该波形每个 |
![]() |
| 图3 预置式自动均衡器的原理框图 |
| 2.自适应均衡器 自适应均衡与预置式均衡一样,都是借助调整横向滤波器的抽头增益达到均衡的目的。但自适应均衡采用最小均方误差畸变准则,不再利用专门的单脉冲波形来调整抽头增益,而是在传输数据期间借助信号本身来自动均衡的。 |
![]() |
| 图4 自适应均衡器 |
| 理论分析和实践表明,最小均方算法比迫零算法的收敛性好,但在恶劣信道环境下,它的初始收敛性能变坏。为克服初始均衡的困难,在开始传输信息数据之前可以传输一段接收机已知的随机序列,用以对均衡器进行训练。这一段随机序列为训练序列。当然带有预置式自动均衡器的基带系统传输信息数据之前所传输的单脉冲训练也是训练训练,但其周期远大于码元周期。 自适应均衡器种类很多,但其原理基本雷同。 |

电工电气学习网 ( )
GMT+8, 2026-3-12 12:03
Powered by © 2011-2026 www.dgdqw.com 版权所有 免责声明