电工电气学习网

 找回密码
 立即注册

QQ登录

只需一步,快速开始

调幅(AM)与双边带(DSB)调制

2015-3-25 08:57| 编辑:电工电气学习网| 查看: 263378| 评论: 0

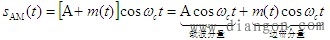
  幅度调制:是正弦波的幅度随调制信号线性变化。
  幅度调制信号一般模型为

 

图1 幅度调制器的一般模型

   4.2.1 调幅波的时域分析(时间表达式和时间波形)
  定义:载波的幅度随调制信号线性变化。
  由标准调幅的定义可以得出标准调幅的模型,如图4.2.2所示。 图4.2.2 标准调幅的模型   AM信号的时域表示式   通常,设
  AM信号的时域波形 图4.2.3 AM时域波形   由波形知AM信号的特点:
  ⑴ 幅度调制:将已调波AM信号与调制信号相比,AM信号的包络是随调制信号线性变化。
  ⑵ 频率未变:将已调波AM信号与载波相比,AM信号的频率与载波相同,也就是说,载波仅仅是幅度受到了调制,频率没有发生变化。
  ⑶ 线性调幅的条件   在情形下,AM信号的包络随调制信号呈线性关系变化,此时是线性调幅。线性调幅的AM信号的包络中携带了基带信号的全部信息。当时,AM信号的包络和调制信号相比,不再呈线性关系变化,此时仍然是调幅信号,但不是线性调幅。 图4.2.4 临界调幅与过调幅AM信号时域波形   通常,我们称这种现象为过调现象,也称这种情况下的调制为过调制。
  为了衡量标准调幅的调制程度,定义AM信号的调制指数   线性调幅的条件为,当时出现过调幅。
  4.2.2 调幅波的频谱
  AM信号的频域表示式为   绘出AM频谱图如图4.2.5所示。 图4.2.5 AM信号的频谱   AM信号频谱特点:
  (1)上、下边带均包含了基带信号的全部信息。
  通常我们把图4.2.5(c)中的正频率高于和负频率低于的频谱合称为上边带(USB);
  正频率低于和负频率高于的频谱合称为下边带( LSB)。
  可见,上、下边带均包含了基带信号的全部信息。无论是线性调幅还是过调幅,AM信号的上、下边带都均包含了基带信号的全部信息。
  (2)幅度减半,带宽加倍。   (3)线性调制。比较调制信号的频谱与AM信号的频谱,可以发现,AM信号频谱中的边带频谱是由调制信号的频谱经过简单的线性搬移到两侧构成的。在这个频谱搬移过程中,没有新的频率分量产生。因此,该调制为线性调制。
  4.2.3 调幅波的功率分配与效率
  AM信号的时间表达式   第一项代表载波分量,第二项代表边带分量,该项包含的有用信号,携带基带信号的信息。
  AM信号在1Ω负载电阻上的功率为   式中:为载波功率 为边带功率   可见,AM信号的功率由载波功率和边带功率两部分组成,其中边带功率为有用信号功率。
  我们将边带功率与AM信号总功率之比定义为标准调幅的调制效率,即   当为正弦波时,最大为33.3%。
  的最大值发生在调制信号是幅度为A的方波情况下,最大能达到50%。
  4.2.4 调幅波的解调
  把调制信号无失真地恢复出来的过程叫解调(或检波)。
  显然,解调是调制的逆过程,它是从已调波中还原出调制信号的过程。
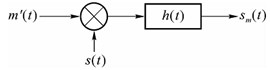
  AM信号有两种解调方法:相干解调和非相干解调。
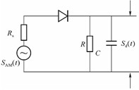
  重点介绍:非相干解调(包络检波) 图4.2.6 包络检波器   包络检波器的输入、输出信号如图4.2.7所示。 图4.2.7包络检波器输入、输出信号   适当选择包络检波器元件参数,并且在的前提下,将AM信号加入到包络检波器中,其输出为   4.2.5 双边带调幅(抑制载波双边带调制DSBSC)
  抑制载波双边带调制就是将AM信号中的载波分量抑制掉,仅发送边带分量。
  1. DSB信号的时域分析
  时域表达式为   双边带信号的数学模型为 图4.2.8 双边带数学模型   双边带信号的波形如图4.2.9所示。 图4.2.9 DSB信号的波形   2. DSB信号的时域分析
  DSB信号的频域表示式   DSB信号的频谱如图4.2.10所示。 图4.2.10双边带信号的频谱图   DSB信号的带宽   DSB信号的功率   显然,DSB信号的功率仅由边带功率构成。因此,DSB信号的调制效率为   3.DSB信号的相干解调
  解调模型如图4.2.12所示 图4.2.12 相干解调器   解调原理
  a) 时域分析
  若接收到的已调信号为   本地载波   乘法器的输出信号为   经截止频率为的低通滤波器滤去高频分量得到   4.同步误差的影响
  ⑴ 频率误差的影响
  若收到的DSB信号为   而本地载波为   即本地载波与发送端载波之间频率相差,这时乘法器的输出为   经低通滤波器后,上式第二项是频谱在附近的高频分量,被滤除掉,这时同步检波的输出为   为了得到满意的话音传输,通常要求
  ⑵ 相位误差的影响
  若收到的DSB信号为   而本地载波为   即本地载波与发送端载波同频不同相,相位差为,这时乘法器的输出为   上式第二项是频谱在附近的高频分量,将被低通滤波器滤掉,因此,此时同步检波器的输出为   由于是固定值,解调后输出信号的幅度减小,而不会产生失真;
  如果,则输出为零。
  当时,不仅输出信号幅度受到衰减,而且符号也要改变。

微信扫码并关注“电工电气学习”,免费领取100G电气资料!

电工电气学习网 ( )

GMT+8, 2026-3-12 13:24

Powered by © 2011-2026 www.dgdqw.com 版权所有 免责声明

技术驱动未来! 电工学习网—从零开始学电工基础知识电气自动化学习网站。

返回顶部