|
1.试分析如图所示电路的工作原理(图中只画出了控制电路)。
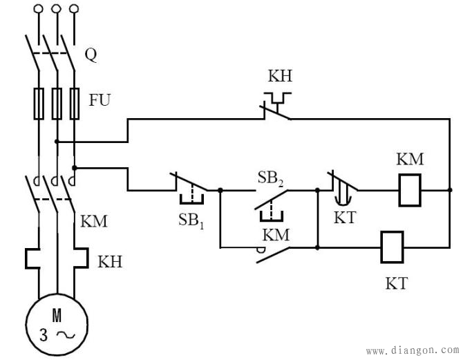
![]() 该电路是电动机既能点动又能连续运行的控制电路。当按下启动按钮时,的常闭触点先断开,切断了自锁电路,使自锁电路不起作用。当SB2的常开触点闭合后,接触器KM线圈通电,KM主触点闭合,电动机运行。一旦释放SB2,则常开触点先断开,使KM线圈失电,电动机停转,KM自锁触点断开,切断自锁电路,这时SB2常闭触点即使闭合,KM线圈也不能通电。所以SB2只能用作点动控制。 控制电动机连续运行的是启动按钮SB3。按下SB3,接触器KM线圈通电,KM主触点闭合,电动机运行,自锁触点KM闭合,与SB2的常闭触点一起将SB3短接,起到了自锁作用,可使电动机连续运行。 2.在如图所示的正反转控制电路中有多处错误,请指出错误并说明应如何改正。 ![]() (1)主电路中接触器KMR的C相主触点的电动机一端错接在A相,应改接到C相热继电器的上方。否则接触器KMR合上时,将造成B、C相间短路。 (2)控制电路的电源端均应接在接触器主触点的上方,否则接触器未合上时控制电路亦无法接通。另外,控制电路电源端应跨接在任意两相的电源线上,如两端都接在同一相上,则控制电路不能工作。 (3) 反转启动按钮SBR的电源端应接到停止按钮SB1的右端,否则SB1按下时,反转控制电路不起控制作用。 (4) 正转启动按钮SBF应与正转自锁触点KMF并联,原线路中未加正转自锁触点KMF,应予补上。否则正转时只能点动。 (5) 反转启动按钮SBR所并联的自锁触点应为KMR,而不是KMF,应予改正。 (6) 正转及反转控制电路中的常闭互锁触点用反了,即在KMF线圈中应串联KMR的互锁触点,在KMR的线圈中应串联KMF的互锁触点,否则接触器线圈将无法通电。 3.有两台三相鼠笼式异步电动机,由一组启停按钮操作,但要求第一台电动机启动后第二台电动机能延时启动。画出符合上述要求的控制电路,并简述其工作过程。 符合上述要求的控制电路如图所示。 ![]() 启动过程如下:按下启动按钮SB2,接触器KM1线圈通电,KM1的主触点闭合,第一台电动机运行,KM1的辅助常开(自锁触点)触点闭合,实现自锁。与此同时,时间继电器KT线圈通电,其常开触点延时闭合,使KM2接触器的线圈通电,则其主触点闭合,第二台电动机运行,同时KM2的辅助常开触点(自锁触点)闭合,实现自锁;KM2的辅助常闭触点断开,使时间继电器KT线圈断电。可见,该电路是满足第一台电动机启动后,延时一定时间第二台电动机自行启动的要求的。 停止过程如下:按下停止按钮SB1,接触器KM1、KM2的线圈同时失电,其主触点断开,使两台电动机停止运行。与此同时,它们的辅助触点也断开,消除了自锁。可见,只要按下停止按钮SB1两台电动机均可停止运行。 4.有一个生产机构,可在A、B两处往返运行。现要求在A处启动后,当运行到B处时停一段时间,再自动返回A处;在A处停一段时间后,再返回B处。试画出满足上述要求的继电接触器控制电路。 满足题中要求的控制电路如图所示。 ![]() 在控制电路中,两个接触器KM1、KM2用来实现电动机的往返运行;两个行程开关STA、STB用来检测生产机构是否运行到达目的地。当生产机构运行到B处时,STB的常闭触点被撞开,使电动机停在B处;同时其常开触点闭合,时间继电器KT1线圈通电,开始定时,时间到后,时间继电器KT1的延时闭合常开触点闭合,接通接触器KM2的线圈,电动机反转,返回A处。到达A处后,重复上述控制过程。 5.有三台皮带运输机分别由三台三相鼠笼式异步电动机拖动,为了使运输带上不积压运送的材料,要求电动机按顺序启动,即电动机M1启动后M2才能启动,M2启动后M3才能启动;停止时可以一起停。另外,在试车时,要求三台电动机都能单独启停。画出能实现上述要求的继电接触器控制电路。 实现上述要求的控制电路如图所示。 ![]() 在试车时,将开关K合上,通过按钮SB2~SB7可以实现三个电动机的单启停,可不受顺序控制的约束。 正常运行时,将开关K断开,按启动按钮SB2,则电动机M1启动。M1启动后,按启动按钮SB3,电动机M2启动;如果M1没启动时,由于KM1的常开触点串在KM2的线圈回路里,即使按下启动按钮SB3,也不能启动M2。M2启动后,按启动按钮SB4,电动机M3可启动。当要停止运行时,按停止按钮SB1,可使三台电动机同时停止运行;而通过操作停止按钮SB5~SB7也可以实现三台电动机的分别停车。 可见,该控制电路可以满足题中提出的控制要求。 6.试画出对三相鼠笼式异步电动机进行两地启停控制的继电接触器控制电路图,要求有过载及短路保护功能。 实现该题要求的继电接触器控制电路如图所示。 ![]() 主电路中的熔断器用来实现短路保护,热继电器用来实现过载保护。 7.如图所示控制电路是实现两台电动机集中启停和单独启停的控制电路,分析其工作原理。 ![]() 当需要集中启停时,按下按钮SB2,则接触器KM3线圈通电,其常开触点闭合,使接触器KM1、KM2的线圈通电,它们的常开触点闭合,所控制的两台电动机运行;停止时,按下按钮SB1,则两台电动机将同时停止。 当需要单独启停时,由按钮SB3、SB5控制接触器KM1(即第一台电动机);由按钮SB4、SB6控制接触器KM2(即第二台电动机)。 热继电器KH1、KH2分别用来实现两台电动机的过载保护。 8.有两台三相鼠笼式异步电动机,一台为主轴电动机,一台为油泵电动机。现要求: (1) 主轴电动机必须在油泵电动机启动之后才能启动; (2) 若油泵电动机停车,主轴电动机应同时停车; (3) 主轴电动机可以单独停车; (4) 有短路和过载保护。 试画出符合上述要求的继电接触器控制电路。 实现题中要求的控制电路如图所示。 ![]() 说明:主轴电动机由接触器KM1控制,油泵电动机由接触器KM2控制,由于KM2的常开触点串联在KM1的线圈回路里,可以保证主轴电动机在油泵电动机启动后才能启动,当油泵电动机停车时主轴电动机也同时停车。(https://www.dgdqw.com/版权所有)当需要主轴电动机单独停车时,可按停止按钮SB4。热继电器KH1、KH2可分别实现两台电动机的过载保护。短路保护由熔断器FU实现。 9.分析如图所示控制电路的工作过程,并说明其控制作用。 ![]() 控制电路接通电源后,时间继电器线圈通电,常闭延时闭合触点瞬时断开;按启动按钮SB2,KM1线圈通电,电动机串联电阻R降压启动,时间继电器线圈断电,延时后其触点闭合,使KM2通电,启动完毕。 注意:(1)时间继电器是断电延时的; (2)时间继电器的常闭延时闭合触点的动作顺序。 10.某生产机械有如下要求:按下启动按钮后三相鼠笼式异步电动机直接启动,经过一段延时后自动停车,同时还要求有过载和短路保护,并能在运行时使其停车。试画出电动机的控制电路。 实现题中要求的控制电路如图所示。 ![]() 说明:在图中,时间继电器KT用来实现自动延时,实现自动停车;为了实现在运行时也可使电动机停车,在控制电路中设置了停止按钮SB1。 |

电工电气学习网 ( )
GMT+8, 2026-2-13 00:32
Powered by © 2011-2025 www.dgdqw.com 版权所有 免责声明