|
状态转换表、状态转换图和时序图是时序电路特有的描述方法,描述出电路在 CP 作 用下,状态转换全部 过程。
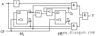
一、状态转换表 将输入及初态代入状态方程和输出方程,算出电路次态和现态下的输 出值。 即:每 7 个 CP ,电路状态回到初态(循环变化)。可对时钟脉冲计数:每经过 7 个时钟脉冲, Y 输出一个脉冲(即由 0 变 1 ,再由 1 变 0 ),可作为一个 七进制计数器, Y 输出进位脉冲。 二、状态转换图
三、时序图(即: CP 作用下,电路状态、输出状态随时间变化的波形图) P231 例
( 2 ) 由 D 触发器特性方程:
( 3 )输出方程: ( 4 )状态转换表: |

电工电气学习网 ( )
GMT+8, 2026-2-13 00:26
Powered by © 2011-2025 www.dgdqw.com 版权所有 免责声明