当不满足直接启动条件时,电动机必须采用降压启动,将启动电流限制在允许的范围内,常用的降压启动方法有定子串电阻降压启动、Y-△降压启动和自耦变压器降压启动三种。
一、定子串电阻降压启动
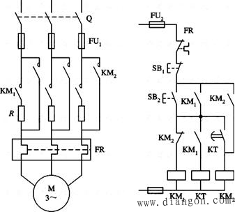
电动机启动时在三相定子电路中串接电阻,使电动机定子绕组电压降低,启动后再将电阻短路,电动机仍然在正常电压下运行。这种启动方式由于不受电动机接线形式的限制,设备简单,因而在中小型机床中也有应用。机床中也常用这种串电阻的方法限制点动调整时的启动电流。图1所示控制线路的工作过程如下:

图1 定子串电阻降压启动控制线路
合上Q,按下SB2,KM1线圈得电自保,其常开主触点闭合,电动机M串电阻R启动,且使时间继电器KT线圈得电。当到达KT的整定时间时(此时M的转速接近额定转速),其常开延时触点闭合,KM2线圈得电自保,KM2的常闭辅助触点先打开,使KM1线圈失电,进而使KT线圈失电,由于常开主触点KM2闭合,将R短接,M全压运转。
二、Y-△降压启动
正常运行时定子绕组接成△联结的笼型异步电动机,常用Y-△减压启动的方法限制启动电流。启动时,定子绕组先接成Y形联接,待转速上升到接近额定转速时,再将定子绕组接成△形联接,电动机全压运行。图2所示控制线路的工作过程如下:
合上Q,按下SB2,KM2线圈得电自保,KM1线圈得电,使M进行Y形联接启动,同时KT线圈也得电。(https://www.dgdqw.com版权所有)当M的转速接近额定转速时,到达时间继电器KT整定时间,KT的常闭延时触点先打开,KM1线圈失电,KT的常开延时触点后闭合,KM3线圈得电自保,M定子绕组△形联接全压运转,同时KT线圈也失电。图中KM1、KM3的辅助常闭触点可防止KM1、KM3同时得电造成电源短路。

图2 Y-△降压启动控制线路
三、自耦变压器降压启动
正常运行时定子绕组接成Y形联接的异步电动机,可用自耦变压器减压启动。启动时,定子绕组加上自耦变压器的二次电压,一旦启动完毕,自耦变压器被甩开,定子绕组加上额定电压正常运行。图3所示控制线路的工作过程如下:
合上Q,按下SB2,KM1线圈得电,自耦变压器T作Y形联接,同时KM2线圈得电自保,电动机减压启动,KT线圈得电自保。
当电动机的转速接近额定转速时,到达KT的整定时间,其常闭延时触头先打开,KM1、KM2线圈先后失电,T被断开,KT的常开延时触头后闭合,在KM1的常闭辅助触头复位前提下,KM3得电自保,电动机全压运行。
电路中KM1、KM3的常闭辅助触头可防止线圈KM1、KM2、KM3同时得电将T的一部分绕组短接而使其余部分绕组烧坏。

图3 自耦变压器降压启动控制线路

