|
接到一位小朋友的电话,询问在修复电盘电路中遇到的问题。整个控制线路如图1所示,电路虽然简单,但检查过程,却有了些许纠结。
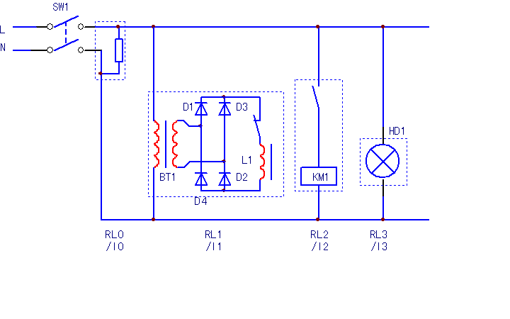
图1 控制回路负载示意图 为简明起见,先将三个控制支路命名为RL1、RL2、RL3负载回路,其回路电流相应标示为I1、I2、I3。 故障现象为,合不上闸,一合即跳。这是典型的过流/过载故障,负载支路有过载故障发生时,流通异常电流所产生的磁场,使SW1产生脱扣动作。通常的检查方法是,将RL1~RL3等负载支路逐一脱开,若脱开某路负载后,能够顺利合闸,则说明该路负载有问题。如图,当脱开BT1变压器初线线圈的连线后,能正常合闸,由此得出结论:故障原因可能为D1~D4整流管有击穿,或制动线圈L1有短路,或BT1本身不良。但详细检查之下,三者都没有什么问题,而且从直接从L、N端为RL1供入电源,也证实RL1电路工作正常,不存在过流故障。说明检修者对故障出现了误判。 另外,对于RL2和RL3负载支路,无论单独上电,或同时上电,都不会引发跳闸动作,而且上电,也能正常工作。 问号就产生了,既然负载支路都没有问题,那问题应该在SW1开关本身不良了,或载流能力变差,脱扣机构失灵,或绝缘变差,导致漏电流严重上升。事实上,SW1的输出回路,也可看作是负载支路之一,图中定义为RL0,其电流回路为I0。当其产生较大的漏电流时,也会引起脱扣动作。 也检查了SW1,外观未看出问题(看来检查得还不够细致),而且拆掉负载支路后,单独空合闸,能合住。 最后,又打回电话,说了处理结果:换了SW1,好了,应该是由于端子接触不良,长期产生过热,使壳体炭化(绝缘变差)产生一定的漏电流所致。 有趣的问题就来了。如果炭化较为严重(绝缘恶化)产生击穿,则易于发现和会产生干脆利落的脱扣动作。但现在本身的漏电流I0值,尚达不到脱扣跳闸的水平,必须在增加了负载支路电流情况下,即I0+I1,才等于脱扣动作电流值。因负载支路电流的投入,才产生了脱动作,可能会使检修者认为,脱扣动作是负载电路产生的过载故障所致,而忽略了对SW1本身不良的怀疑。若属此种情况,有经验者会果断换掉SW1试验,缺乏经验者,只有确认和排除了RL1并无问题后,才将疑点转移至SW1身上。 其实有一个很好的办法,能够快速判断该类故障。这类因过载产生的故障,用电流测量法,能够快速准确地判断故障所在。袖珍型(具备小量程,如10A)钳形电流表,是最好的工具。但一般检修者,只把万用表认为是尖端武器,不习惯也不常备钳形电流表。 如图1所示电路,解除负载支路后,空合SW1,若测量仍有回路电流的存在,一步到位,直接更换SW1,就齐活了。同时,利用电流的加、减法,投入或解除某一负载支路后,从测量电流的变化上,也能准确判断过载故障,出现在哪一条支路上。其优点,像是用示波器测信号波形,简单直观,准确率高。何乐而不为呢? |

电工电气学习网 ( )
GMT+8, 2026-3-12 12:58
Powered by © 2011-2026 www.dgdqw.com 版权所有 免责声明