
星形启动,三角形运转电路的控制部分,会需要自锁,互锁,时间延时等控制电路。
所以介绍一下

所以介绍一下


控制电路,启动按钮按下,接触器线圈得电,接触器动作吸合,另一个电流通过接触器常开触点闭合,给接触器线圈供电。松开启动按钮,由于接触器是两路电流供电,所以启动按钮断开,接触器依然吸合自锁。

接触器互锁,是启动控制电流要通过对方接触器常闭触点,这样如果对方接触器闭合,对方接触器的常闭触点断开,启动电流自然不会供到自己的接触器。



在这,我只是将我知道的告诉大家,可能会让大家更直接明白。
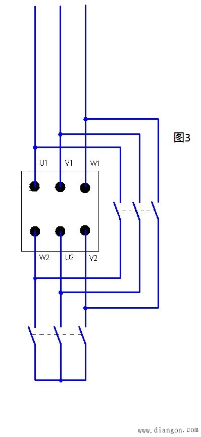
1、星形接法时,电压是220V,而三角形接法则是380V,星/三角的目的就是降压启动;
2、三相电动机是由3个绕组组成,星形接法就是将3个绕组同一端直接连接在一起;三角形则是将3个绕组各个头尾相连组成三角形。
3、控制线路不完善,如果三角形接触器粘了,就起不了作用,所以建议,先让星形接触器先得电后,再投入电源让电动机运转。
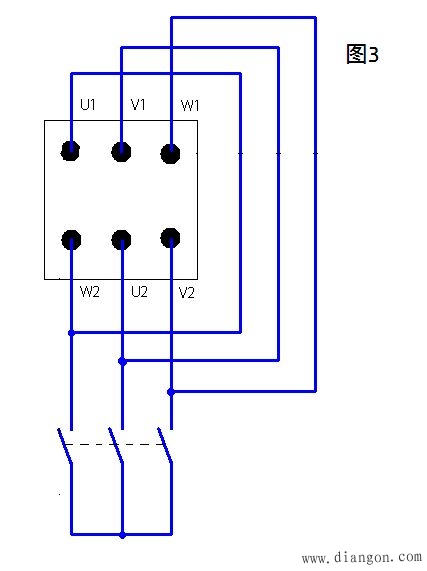
1、星形接法时,电压是220V,而三角形接法则是380V,星/三角的目的就是降压启动;
2、三相电动机是由3个绕组组成,星形接法就是将3个绕组同一端直接连接在一起;三角形则是将3个绕组各个头尾相连组成三角形。
3、控制线路不完善,如果三角形接触器粘了,就起不了作用,所以建议,先让星形接触器先得电后,再投入电源让电动机运转。

