|
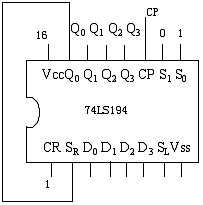
1. 移位寄存器是指寄存器中所存的代码能够在移位脉冲的作用下依次左移或右移。74 LS194是一个4位双向移位寄存器,最高时钟脉冲为36MHZ,其逻辑符号及引脚排列如图1所示:
其中:D0~D1为并行输入端;Q0~Q3为并行输出端;SR--右移串引输入端;SL--左移串引输入端;S1、S0-操作模式控制端; -为直接无条件清零端;CP-为时钟脉冲输入端。74LS194模式控制及状态输出如表1所示。 表1
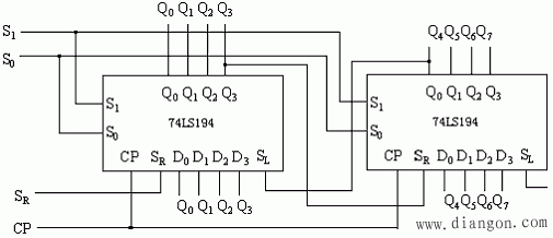
3. 74 LS194构成环形计数器
图3电路是一个有四个有效状态的计数器,这种类型计数器通常称为环形计数器。同时输出端输出脉冲在时间上有先后顺序,因此也可以作为顺序脉冲发生器。 |

电工电气学习网 ( )
GMT+8, 2026-1-14 18:07
Powered by © 2011-2025 www.dgdqw.com 版权所有 免责声明