|
1、自耦变压器降压启动的方法
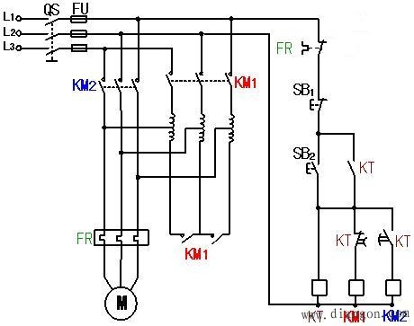
自耦变压器降压启动是指电动机启动时利用自耦变压器来降低加在电动机定子绕组上的启动电压。待电动机启动后,再使电动机与自耦变压器脱离,从而在全压下正常运动。这种降压启动分为手动控制和自动控制两种。 接线:自耦变压器的高压边投入电网,低压边接至电动机,有几个不同电压比的分接头供选择。 特点:设自耦变压器的变比为K,原边电压为U1,副边电压U2=U1/K,副边电流I2(即通过电动机定子绕组的线电流)也按正比减小。又因为变压器原副边的电流关系I1=I2/K,可见原边的电流(即电源供给电动机的启动电流)比直接流过电动机定子绕组的要小,即此时电源供给电动机的启动电流为直接启动时1/K2倍。由于电压降低为1/K倍,所以电动机的转矩也降为1/K2倍。 自耦变压器副边有2~3组抽头,如二次电压分别为原边电压的80%、60%、40%。 自耦变压器降压启动优点:可以按允许的启动电流和所需的启动转矩来选择自耦变压器的不同抽头实现降压启动,而且不论电动机的定子绕组采用Y或Δ接法都可以使用。缺点:设备体积大,投资较贵。 2、自耦变压器降压启动控制线路 自耦变压器降压启动控制线路如下图所示。
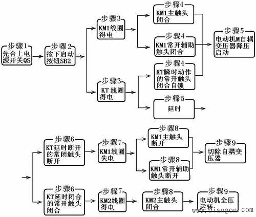
线路工作原理分析:
(a)自耦变压器降压启动控制工作原理示意图1 (b)自耦变压器降压启动控制工作原理示意图2 |

电工电气学习网 ( )
GMT+8, 2026-1-14 18:33
Powered by © 2011-2025 www.dgdqw.com 版权所有 免责声明