电工电气学习网

 找回密码
 立即注册

QQ登录

只需一步,快速开始

西门子变频器接线图

2014-5-22 12:45| 编辑:电工电气学习网| 查看: 125344| 评论: 1

主线路分别接入三相电,输出端接电机。
控制线路要看你什么控制方式,一般需要接的有启动信号,速度选择信号等。


西门子MM430变频器接线图

西门子MM430变频器接线图

西门子MM430变频器接线图

 

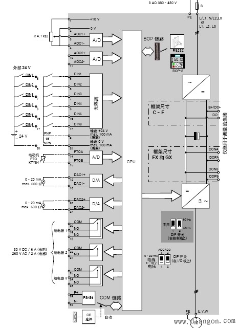
西门子440变频器端子接线图

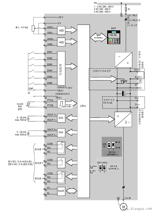
西门子S120变频器端子接线图

微信扫码并关注“电工电气学习”,免费领取100G电气资料!

看过《西门子变频器接线图》的人还看了以下文章:

下级分类

  • 变频器的接线方法图解 教你怎么搞定变频器
  • 西门子V20变频器设置步骤
  • 变频器过流故障的原因和处理方法
  • ABB变频器显示错误代码F0001的原因
  • 变频器频率调不上去原因和解决方法
  • 施耐德变频器通用参数设置步骤
热门推荐

电工电气学习网 ( )

GMT+8, 2026-3-12 13:26

Powered by © 2011-2026 www.dgdqw.com 版权所有 免责声明

技术驱动未来! 电工学习网—从零开始学电工基础知识电气自动化学习网站。

返回顶部