|
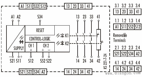
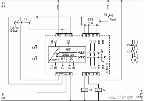
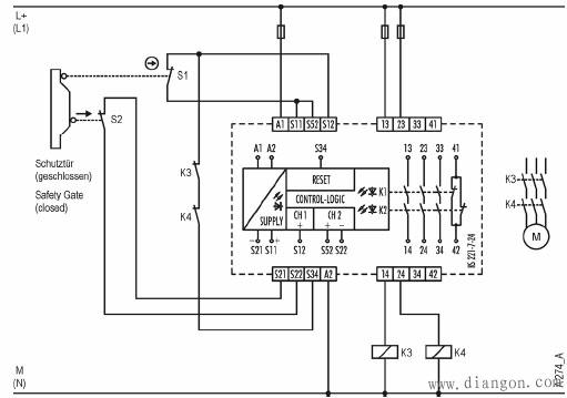
安全继电器并不是“没有故障的继电器”,而是发生故障时做出有规则的动作,它具有强制导向接点结构,万一发生接点熔结现象时也能确保安全,这一点同一般继电器是完全不同。 安全继电器是由数个继电器与电路组合而成,为的是要能互补彼此的异常缺陷,达到正确且低误动作的继电器完整功能,使其失误和失效值愈低,安全因素则愈高,因此需设计出多种安全继电器以保护不同等级机械,主要目标在保护暴露於不同等级之危险性的机械操作人员。 |

电工电气学习网 ( )
GMT+8, 2026-3-12 12:05
Powered by © 2011-2026 www.dgdqw.com 版权所有 免责声明