电工电气学习网

 找回密码
 立即注册
搜索
订阅

电工基础

TN-S、TN-C-S、TN-C怎么选?一文看懂电气接地系统
TN-S、TN-C-S、TN-C怎么选?一文看懂电气接地系统
在工厂和建筑电气设计中,TN系统是我们最熟悉的“老朋友”,但你真的确定你手里的图纸和现场施工是100%安全的吗?很多电气事故往往不是因为原理不懂,而是因为“似懂非懂”和接线上的小疏忽。今天我们就把TN系统扒开 ...
2026-2-8 08:07
功率因数的超前和滞后分别是什么意思
功率因数的超前和滞后分别是什么意思
在供电系统里,功率因数可是个关键指标,它直接反映着电气设备的效率高低。功率因数越高,说明电气设备被充分利用的程度越高,能更高效地工作;反之,功率因数越低,电气设备的利用率就越低,就像一辆汽车,空有强劲 ...
2026-2-1 11:34
电气人必看!配电房停送电顺序及操作流程
电气人必看!配电房停送电顺序及操作流程
配电房,也叫配电所,在国家标准里有明确界定:所内只有起开闭和分配电能作用的高压配电装置,母线上没有主变压器。它和变电所最大的区别就在于,配电房没有变压器,而变电所有。对于电气人员来说,掌握配电房的停、 ...
2026-1-25 07:39
工作接地、保护接地、保护接零、重复接地究竟是什么?怎么区分?
工作接地、保护接地、保护接零、重复接地究竟是什么?怎么区分?
在电气安全领域,工作接地、保护接地、保护接零和重复接地这几个概念极为核心,却又常常让人混淆。它们就像电气系统的“安全卫士”,各自有着独特的作用和适用场景,下面就为大家详细区分一下。 一、工作接地 工作接 ...
2026-1-22 21:20
别再被三相不平衡困扰!一文搞定判断、成因及处理办法
别再被三相不平衡困扰!一文搞定判断、成因及处理办法
你知道三相不平衡在电力系统中是个不容小觑的问题吗?它就像隐藏在电力运行中的“小怪兽”,一旦出现,就可能引发一系列麻烦,影响电力设备的正常运行,甚至造成安全隐患。那么,究竟该如何判断三相不平衡呢?下面就 ...
2025-11-17 11:40
电动机热继电器选型与使用
电动机热继电器选型与使用
电机在工业生产中那可是“大功臣”,可一旦过载,就像人累垮了一样,不仅性能下降,还可能直接“罢工”,甚至引发安全事故。别怕,热继电器就是专门来给电机“保驾护航”的,它主要保护三相电机,核心作用就是过载保 ...
2025-10-30 20:56
电气二次回路电缆“四统一”原则下如何精准编号?
电气二次回路电缆“四统一”原则下如何精准编号?
在二次回路的施工与日常维护工作中,有一个关键环节绝对不能忽视,那就是电缆和电缆芯的编号。按照“四统一”的原则,合理且准确的编号,不仅能让使用者快速了解回路用途,还能确保正确接线,为整个二次回路系统的稳 ...
2025-10-28 07:10
电动机保护接地怎么搞?一文说清关键细节!
电动机保护接地怎么搞?一文说清关键细节!
电动机在工业生产和日常生活中应用极为广泛,然而,电动机一旦出现故障,尤其是外壳漏电,就可能给操作人员带来触电危险,严重威胁生命安全。所以,做好电动机的保护接地工作至关重要。今天,就来和大家详细聊聊电动 ...
2025-10-25 11:13
电工必知!电线截面积和载流量,这样算才准!
电工必知!电线截面积和载流量,这样算才准!
咱电工在现场布线、接设备时,是不是总纠结:“这线到底能不能带动设备?”其实,答案就藏在电线截面积和导线安全载流量这两个关键参数里。算对了,能避免电线过热引发火灾,还能防止资源浪费;算错了,轻则跳闸停工 ...
2025-10-18 13:41
无功功率为什么能补充电网的电压
无功功率为什么能补充电网的电压
你是否好奇,为啥补充无功功率能让电网电压“稳”住?其实啊,电网电压的高低和线路里无功功率的流向有着千丝万缕的紧密联系。给电网补充无功功率,就好比给一辆行驶中逐渐没力的汽车补充燃料,能抵消线路产生的“电 ...
2025-10-16 07:01
如何用万用表区分火线,零线和地线?
如何用万用表区分火线,零线和地线?
三相电路(工业常用380V/220V)中,相线(L1/L2/L3)、中性线(N)、保护线(PE)的电压关系是区分关键。检测时需将万用表调至交流电压档(ACV),量程选择AC 500V或AC 750V(根据实际电压调整)。 一、操作步骤 第 ...
2025-9-14 07:23
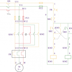
一文读懂机械互锁和电气互锁的区别
一文读懂机械互锁和电气互锁的区别
在电气控制领域,互锁电路是一种至关重要的安全设计,它主要分为机械互锁和电气互锁两种形式。这两种互锁方式犹如守护神一般,确保设备运行的安全性与稳定性。 1、机械互锁 以SB2按钮为例,其采用的是带有机械互锁功 ...
2025-8-30 15:07
别让地线成隐患!电工必须掌握的接地规范
别让地线成隐患!电工必须掌握的接地规范
在电气领域摸爬滚打的电工老师傅们都清楚,地线的共用问题绝非小事一桩,它犹如一张错综复杂的网络,牵扯着电气安全、系统设计与规范遵循等多重关键要素。稍有不慎,便可能引发严重事故。今天咱们就来深入剖析这个不 ...
2025-8-23 10:58
如何有效降低接地电阻?降低接地装置接地电阻的方法
如何有效降低接地电阻?降低接地装置接地电阻的方法
在电力系统的运行中,接地电阻扮演着至关重要的角色,其核心使命便是确保人身安全。当故障电流或是雷击电流产生时,必须借助接地装置迅速将其导入地下,以此有效降低电击以及火灾发生的风险。较低的接地电阻意味着能 ...
2025-8-21 07:07
新手电工必看!变压器基本结构详解
新手电工必看!变压器基本结构详解
在电力系统中,变压器扮演着至关重要的角色,它如同电能传输与分配的“桥梁”,实现着电压的转换。对于电工而言,深入了解变压器的基本结构是掌握其运行原理、维护检修以及故障排查的基础。下面,我们就来详细拆解变 ...
2025-8-16 09:16
过载保护过电流保护和短路保护的区别
过载保护过电流保护和短路保护的区别
在电气世界里,电流如同奔涌的江河,既滋养着现代文明也暗藏汹涌暗流。作为电工,我们每天都在与看不见的风险博弈——过载的温热、过流的冲击、短路的烈焰,稍有不慎就会引发灾难性后果。今天,让我们抽丝剥茧般拆解 ...
2025-8-4 21:21
从小白到高手!手把手教你秒懂电气电路图
从小白到高手!手把手教你秒懂电气电路图
为什么看懂电路图能让你少走十年弯路?在电气设备的安装、调试和维护现场,一张小小的电路图往往是工程师与技术员的“作战地图”。它不仅决定了设备能否安全运行,更直接影响着故障排查的效率和准确性。然而,许多初 ...
2025-7-31 15:29
TN-S系统中零线概念的深度剖析与正确认知
TN-S系统中零线概念的深度剖析与正确认知
在电气领域的广袤天地中,TN-S系统犹如一颗璀璨的明星,在民用和普通商用供电的舞台上熠熠生辉,扮演着至关重要的角色。然而,围绕TN-S系统中零线的相关概念,却仿佛笼罩着一层迷雾,存在着诸多令人困惑的混淆之处, ...
2025-7-22 08:56
电工基础知识热点文章

电工电气学习网 ( )

GMT+8, 2026-2-9 22:00

Powered by © 2011-2025 www.dgdqw.com 版权所有 免责声明

技术驱动未来! 电工学习网—从零开始学电工基础知识电气自动化学习网站。

返回顶部