电工电气学习网

 找回密码
 立即注册
搜索
订阅

变频器_软启动器

下级分类:  软启动器
变频器轻载重载怎么选?看完这篇不踩坑
变频器轻载重载怎么选?看完这篇不踩坑
你知道吗?同一台变频器,在轻载和重载这两种不同工况下,标称的功率是不一样的。简单来讲,要是处于重载情况,变频器的额定功率会变小。那怎么判断是轻载还是重载呢?这主要得看电机的输出负载情况。 打个比方,如 ...
分类:    2026-2-9 07:36
变频器带载试运行从安装到上位机连接,一篇搞定!
变频器带载试运行从安装到上位机连接,一篇搞定!
变频器在现代工业中扮演着至关重要的角色,但调试过程却让不少新手头疼。别担心,本文将带你一步步掌握变频器的调试技巧,从基础安装到高级上位机连接,一网打尽! 一、基础安装与检查 1.接地与电源连接:首先,确保 ...
分类:    2026-1-27 12:36
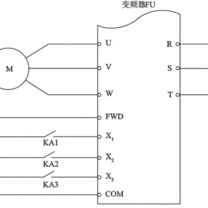
变频器外接端子如何实现电动机多挡转速控制
变频器外接端子如何实现电动机多挡转速控制
在工业自动化控制领域,电动机的转速控制至关重要,而变频器外接端子为我们实现电动机转速的多挡控制提供了便捷且高效的途径。通过合理运用变频器的外接输入控制端脚,并对其进行功能预置,能轻松将多个(通常是2 - ...
分类:    2026-1-26 18:09
一文读懂交-直-交变频器主体电路
一文读懂交-直-交变频器主体电路
在工业自动化领域,交 - 直 - 交变频器应用广泛,不同系列的这类变频器内部主体电路大致相同,变频调速过程中的诸多现象都能借助主体电路来分析。下面就详细介绍其主体电路的各个部分。 一、交 - 直变换电路 交 - 直 ...
分类:    2026-1-24 07:19
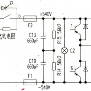
变频器充电电阻和储能电容选型要点与避坑指南
变频器充电电阻和储能电容选型要点与避坑指南
做电工的都知道,中小功率通用变频器大多是电压型,采用交—直—交的工作方式。这变频器刚上电的时候,直流侧的滤波电容容量超大,刚充电瞬间对电流来说就像短路,电流会非常大。要是在整流桥和电解电容之间不加充电 ...
分类:    2026-1-21 07:33
一文读懂变频器驱动电路
一文读懂变频器驱动电路
变频器作为工业领域常用的设备,通用型变频器一般由整流桥、逆变桥、中间直流电路、预充电电路、控制电路以及驱动电路等部分构成。其中,驱动电路的好坏对变频器的性能起着决定性作用。 驱动电路并非一成不变,随着 ...
分类:    2026-1-13 20:57
变频器安装使用6大误区,别再踩这些雷了!
变频器安装使用6大误区,别再踩这些雷了!
在工业生产里,变频器是常用的设备,可要是安装使用不当,就会引发各种问题,影响生产效率,甚至造成设备损坏。下面就给大家讲讲变频器安装使用中常见的六大误区。
分类:    2025-12-27 19:45
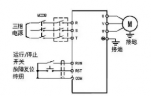
通用三相变频器接线方法与注意事项
通用三相变频器接线方法与注意事项
变频器可是电机控制的“神器”,其核心原理是交 - 直 - 交变换。它先把工频交流电整流成直流电,再借助逆变电路,将直流电逆变成频率和电压都能调节的交流电。通过改变电机供电频率,就能精准控制电机转速,还能降低 ...
分类:    2025-12-21 09:16
变频器主控及辅助元件接线步骤,一学就会
变频器主控及辅助元件接线步骤,一学就会
在工业自动化领域,变频器可是控制电机转速的“大功臣”。不过,要想让变频器正常工作,正确接线至关重要。下面就为大家详细讲讲变频器的主回路、控制回路以及辅助元件的接线方法。 一、主回路接线 电源输入方面,三 ...
分类:    2025-12-19 22:14
变频器为什么要设置上下限频率?
变频器为什么要设置上下限频率?
当频率设定指令高于上限频率时候,运转频率为上限频率,当频率设定指令低于下线频率时,运转频率为下限频率。从下限到上限频率,是按照一段加速时间向着上限或设定的频率加速,主要是防止突加的电流造成机器的损坏, ...
分类:    2025-12-16 21:05
安川A1000变频器故障记录咋查?一文教你轻松搞定
安川A1000变频器故障记录咋查?一文教你轻松搞定
在咱们电工的日常工作里,变频器报故障那可是再常见不过的事儿了。有时候,设备突然“闹脾气”,为了能精准找出问题所在,查看故障发生之前的记录就显得尤为重要。毕竟,这些记录就像设备的“病历”,能帮咱们快速定 ...
分类:    2025-12-9 20:46
一文读懂!变频器调试的完整流程与技巧
一文读懂!变频器调试的完整流程与技巧
在工业自动化领域,变频器是不可或缺的关键设备。正确调试变频器,不仅能确保电机稳定运行,还能提升生产效率、降低能耗。下面就为大家详细介绍变频器调试的完整流程。 一、安装与初步检查 首先,要将变频器的接地端 ...
分类:    2025-11-27 20:16
电抗器在变频器中何时该用?用了有啥好处?
电抗器在变频器中何时该用?用了有啥好处?
在工业自动化领域,变频器就像是一个灵活的“动力调节大师”,能精准控制电机的转速和转矩,满足不同生产场景的需求。然而,变频器在实际工作中,常常会面临各种挑战,比如电压突变、谐波干扰等,这些问题不仅会影响 ...
分类:    2025-11-19 20:32
变频调速系统制动电阻的选型与计算
变频调速系统制动电阻的选型与计算
在变频调速系统里,电机降速和停机可不是简单的事儿。它主要是通过逐渐减小频率来实现的。当频率减小的瞬间,电机的同步转速会跟着下降,可电机转子因为机械惯性,转速还保持不变。这时候,一旦同步转速小于转子转速 ...
分类:    2025-11-14 07:10
变频器安装接线、接地与铭牌解读
变频器安装接线、接地与铭牌解读
在工业生产与设备控制的领域里,变频器可是个“大明星”,发挥着至关重要的作用。但不少朋友在使用变频器时,总会冒出一些让人摸不着头脑的疑问。今天,咱们就一起把这些问题“一网打尽”! 先来说说变频器端子板的 ...
分类:    2025-11-9 07:56
西门子V20变频器端子控制调试方法和注意事项
西门子V20变频器端子控制调试方法和注意事项
今天来给各位朋友分享一下西门子V20变频器端子控制参数调试的主要方法和关键注意事项。对于从事相关电气工作或者对变频器调试感兴趣的小伙伴来说,掌握这些内容可是非常重要的,能让大家在调试过程中少走很多弯路。 ...
分类:    2025-11-2 19:10
一文读懂三菱FR-E700变频器各端子功能与作用
一文读懂三菱FR-E700变频器各端子功能与作用
刚接触变频器的朋友,面对变频器上密密麻麻的接线端子,是不是常常一头雾水,完全搞不懂它们都是干啥用的?别着急,今天我就来给刚学习变频器,尤其是对三菱通用变频器FR - E700感兴趣的朋友,详细分享一下它各个端 ...
分类:    2025-10-31 11:34
变频器主电路结构与工作原理
变频器主电路结构与工作原理
变频器作为现代工业中不可或缺的电气控制设备,其主电路结构的设计直接关系到设备的性能与效率。你是否好奇,变频器是如何将固定的交流电转换成频率和电压都可调节的交流电的呢?这背后,其实隐藏着一个交-直-交的精 ...
分类:    2025-10-30 07:14
热点文章

电工电气学习网 ( )

GMT+8, 2026-2-9 23:15

Powered by © 2011-2025 www.dgdqw.com 版权所有 免责声明

技术驱动未来! 电工学习网—从零开始学电工基础知识电气自动化学习网站。

返回顶部